EN

AMT-2S210AMT二挡电控机械自动换挡变速箱

产品简介:

适用于5-7米新能源客车、轻型物流车

•2个前进档

 

•前进档均采用同步器换挡;

 

•输入端与电机联接、输出端同轴

 

•轻量化设计

 

•适应于城市微型物流车、巴士

 

•可按电控-电动AMT或匹配有电机及电机控制器的2EPT210动力单元供货

 

 

 

 

 

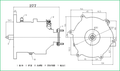
主要技术参数

变速器型号

2S210AMT

额定输入扭矩

200N.m

质量(不含附加装置及油)

20kg

润滑油等级

SAE80W/90 orAPI-GL-4

润滑油量

1.8L

安装方式

右卧

 

 

档位传动比

档位

一档

二挡

直接档

2.26

1.00

友情链接 ×